DXL系列防爆吸頂燈(ⅡB、ⅡC)

型號含義 Model implication
適用范圍 Application
1、適用于1區,2區危險場所。
2、適用于ⅡA、ⅡB類爆炸性氣體環境。
3、可配裝白熾燈。
注:要求ⅡC類時請注明。
1、Can be used in Zonea 1 and2 dangerous places.
2、Can be used inⅡA、ⅡB group explosive atmosphere.
3、Suitable for incandescent lamp.
Notice:Please note if need ⅡC group.
產品特點 Features
1、鑄鋁合金外殼,表面噴塑。
2、結構緊湊,外形美觀。
3、鋼管或電纜布線。
4、符合GB3836-2000,IEC60079標準要求。
1、Diecasted AL-alloy shell with plastic-sprayed surface.
2、Compact structure and aesthetic appearance.
3、Suitable for cable wiring.
4、Suitable for GB3836-2000, IEC60079 standard request.
主要技術參數 Main technical parameters
配用光源 Supplied with lamps
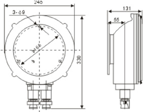
外形尺寸 Outline dimesion



